СТРУКТУРА
Строительный блог
Блог
Работа
Контакты
Работа
Карта сайта
цветочная рамка
Проект промышленного здания
курсовой проект (13 стр)
Обмерочный чертеж квартиры
Фонтаны 3D
Схема оборудования хамам
футорка эскиз
деталь 3D
три вида детали
велопарковка 3D
фасад со двора
фасад коттеджа
планировка коттеджа
кровельные работы
экспликация полов
план крыши
фундаментный план
схема покрытия
ведомость перемычек
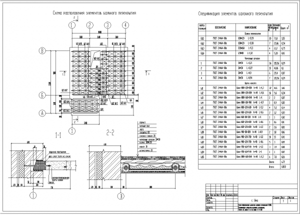
схемы перекрытий
узел парапета
генплан
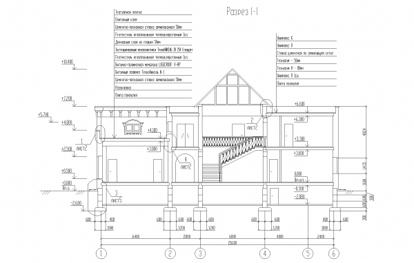
разрез
второй фасад
главный фасад
фундаментная плита
конструкция крыши
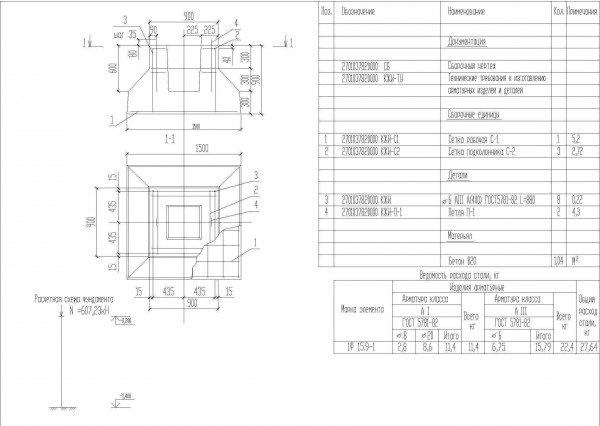
армирование фундамента
система отопления
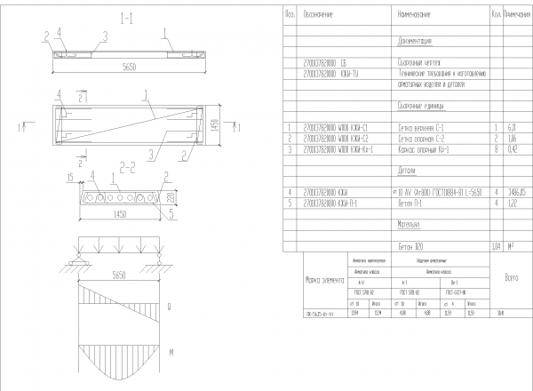
плита перекрытия
деревянные перекрытия
фундаментный план
исполнительная схема
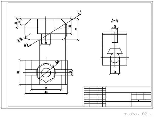
отвёртка эскиз
лестничный узел
план промышленного здания
техкарта производственного процесса
фонтаны 3D
Заказать чертеж